
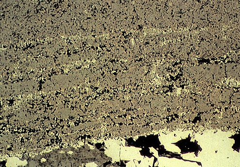
Limonite, haematite and magnetite. Hamersley Basin, Australia


125µm
The main band comprises sub-bands of magnetite (brown-grey) and haematite (blue-white) within limonite (blue-grey). Coarse-grained haematite (blue-white, bottom right), 'specularite', is associated with coarse-grained limonite (blue-grey), showing bireflectance (bottom left), and quartz (black, bottom centre).
Polished block, plane polarized light, x 160, oil
